Генератор на NE555
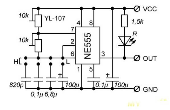
Модуль генератора импульсов на микросхеме NE555, может использоваться для регулирования параметров выходных импульсов в широких пределах в проектах на микроконтроллерах или как задающий генератор, в настройке и тестировании различного электронного оборудования. Модуль генерирует последовательность прямоугольных импульсов, определяемых RC цепочкой.
Модуль генератора импульсов на микросхеме NE555, может использоваться в проектах на микроконтроллерах для регулирования параметров выходных импульсов в широких пределах, или как задающий генератор в настройке и тестировании различного электронного оборудования. Модуль генерирует последовательность прямоугольных импульсов, определяемых RC-цепочкой.
Диапазон регулировки частоты выходных импульсов регулируется с помощью перемычки в четырех диапазонах: 1 Гц – 50 Гц / 50 Гц – 1 кГц / 1 кГц – 10 кГц / 10 кГц – 200 кГц
• Подстройка частоты импульсов в выбранном диапазоне осуществляется резистором R1.
• Скважность задается с помощью подстрочного резистора R2.
• Амплитуда выходных импульсов пропорциональна напряжению источника питания (4,2 – 11,4 В).
• Питание модуля может осуществляется от Ардуино-контроллера или от внешнего источника питания.
Выходной ток генератора не превышает 35 мА, поэтому для управления более мощной нагрузкой необходим усилитель тока выходного каскада. При изменении диапазона частот следует отключать питание модуля.
Характеристики:
• Форма импульсов: прямоугольная
• Регулировка частоты в диапазоне: 1 Гц – 200 кГц
• Регулировка скважности: 50 — 100%
• Напряжение питания: 5 – 15 В постоянного тока
• Выходной ток: 100 мА
• Рабочая температура: 0 – 70 °C
• Размеры: 31 х 22 х 15 мм








