Наконечник JG-095 медный луженый кабельный IEK (UNP40-095-13-12)
Наконечник медный луженный JG-95 UNP 40095-13-12; UNP 40095-13-12
Предназначены для оконцевания многожильных медных проводников и кабелей опрессовкой и пайкой.
Материал — луженая электротехническая медь
Характеристики
Производитель: IEK
Состояние: Новое
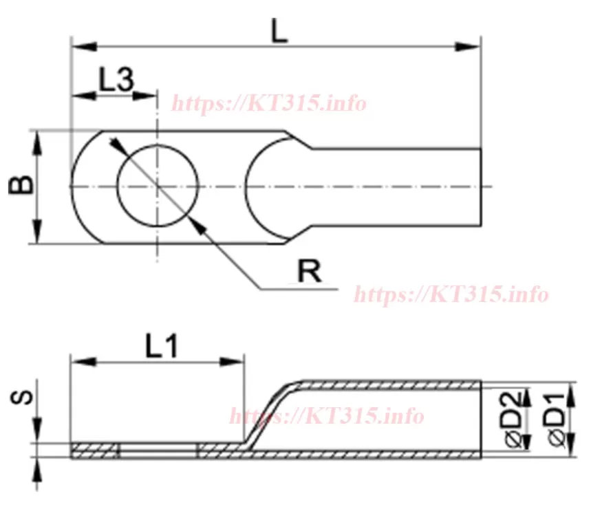
Сечение: 95 мм2
Диаметр монтажного отверстия под болт: М12, (мм12.4)
Диаметр отверстия для жилы мм:15.2
Защитное покрытие поверхности: Лужёное
Материал: Медь
Номин напряжение В: 10000
Температура эксплуатации C: от — 40 до + 80






