Драйвер светодиода DC AC 12V -MR16 автомобильный
• Драйвер 300….1000 мА
• Работает как от переменного AC так и от постоянного DC напряжения 6..24В
• Не требует соблюдать полярность подачи питания
• Возможна работа от бортовой сети 12В автомобиля и др.
• для установки в колбу MR16 (цоколь GU5.3)
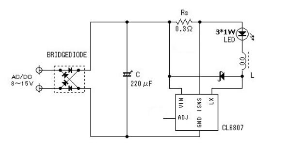
LED driver 1-3 * 1W 290mA Uin = 12 volts
Main characteristics:
Driver: BP1371
Supply voltage: 8-15V AC/DC
Output voltage: 3-10V DC
Output current: 290mA ±5%
Suitable LED configuration: 1-3 * 1W
Matching base: MR16 G5.3
PFC: >0,5
Efficiency:> 70%
Dimensions: 14 * 19 * 12 mm






